Junctions for Main Tubing PJ


   Dimensional Drawing

ModelPart NumberSpecifications
PJ-2 106421 2 way
  • Material:Zinc die casting (ZDC)
  •    Dimensional Drawing

    ModelPart NumberSpecifications
    PJ-2F 106424 2 way
  • Material:Zinc die casting (ZDC)
  •    Dimensional Drawing

    ModelPart NumberSpecifications
    PJ-3 106420 3 way
  • Material:Zinc die casting (ZDC)
  •    Dimensional Drawing

    ModelPart NumberSpecifications
    PJ-3F 106425 3 way
  • Material:Zinc die casting (ZDC)
  •    Dimensional Drawing

    ModelPart NumberSpecifications
    PJ-4 106423 4 way
  • Material:Zinc die casting (ZDC)
  •    Dimensional Drawing

    ModelPart NumberSpecificationsSize
    M8×15/16-24 UNF L1 L2
    PJ-4S 106401 186401 Single type for 2 ports 47 (1.85″) 34 (1.34″)
    PJ-5S 106402 186402 Single type for 3 ports 63 (2.48″) 50 (1.97″)
    PJ-6S 106403 186403 Single type for 4 ports 79 (3.11″) 66 (2.60″)
    PJ-7S 106404 186404 Single type for 5 ports 95 (3.74″) 82 (3.23″)
    PJ-8S 106405 186405 Single type for 6 ports 111 (4.37″) 98 (3.86″)
    PJ-9S 106406 186406 Single type for 7 ports 127 (5.00″) 114 (4.49″)
    PJ-10S 106407 186407 Single type for 8 ports 143 (5.63″) 130 (5.12″)
    PJ-12S 106408 186408 Single type for 10 ports 175 (6.89″) 162 (6.38″)
  • Material:Zinc die casting (ZDC)
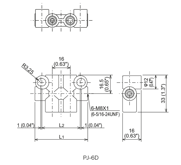
  •    Dimensional Drawing

    ModelPart NumberSpecificationsSize
    M8×15/16-24 UNF L1 L2
    PJ-6D 106411 186411 Double type 4 ports 47 (1.85″) 34 (1.34″)
    PJ-8D 106412 186412 Double type 6 ports 63 (2.48″) 50 (1.97″)
    PJ-10D 106413 186413 Double type 8 ports 79 (3.11″) 66 (2.60″)
    ModelPart NumberSpecificationsSize
      L1 L2
    PJ-12D 106414 Double type 10 ports 82(3.23″) 94(3.70″)
    PJ-14D 106415 Double type 12 ports 98(3.86″) 110(4.33″)
    PJ-16D 106416 Double type 14 ports 114 (4.49″) 126(4.96″)